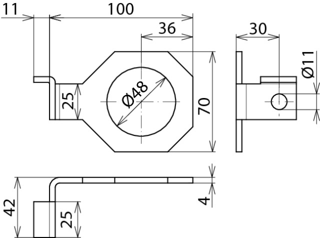
Anschlussbügel IF1 abgewinkelt Bohrdurchmesser d1 48 mm

Anschlussbügel IF1 abgewinkelt Bohrdurchmesser d1 48 mm

Abgewinkelter Anschlussbügel für EXFS. Durchmesser entspricht Bolzendurchmesser der Flanschverschraubung.

Produktkennzeichen

SKU: 923348
EAN: 4013364150874
GTIN: 4013364150874
MPN: AB EXFS IF1 W 48

Kategorien

Eigenschaften

Zubehör
Ja
Ersatzteil
Nein
Art des Zubehörs/Ersatzteils
Montagebügel