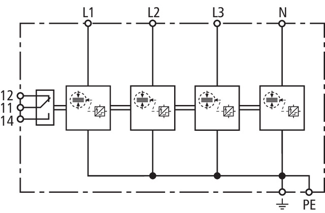
Anwendungsopt. Kombi-Ableiter DEHNshield Typ 1+2 für dreiphasige TN-S-Systeme
Mehrpoliger, anwendungsoptimierter Kombiableiter DEHNshield, Typ 1 + Typ 2 nach EN 61643-11 auf Funkenstreckenbasis. Platzsparende Funkenstreckentechnologie mit nur 1 TE / Pol ermöglicht kompakte Ausführung. Zum Schutz von Wohngebäuden und zum Einsatz in speziellen Anwendungen. Ermöglicht Endgeräteschutz. Zum Schutz vor Überspannungen, auch bei direkten Blitzeinschlägen. Einsetzbar nach dem Blitz-Schutzzonen-Konzept an den Schnittstellen 0A – 2.
Produktkennzeichen
SKU: 941405
EAN: 4013364275331
GTIN: 4013364275331
MPN: DSH TNS 255 FM
Kategorien
Eigenschaften
|
Polzahl
|
4
|
|
Baugröße
|
4 TE
|
|
Montageart
|
Hutschiene TH35
|
|
Netzform DC
|
Nein
|
|
Netzform IT
|
Nein
|
|
Netzform TN
|
Nein
|
|
Netzform TT
|
Nein
|
|
Prüfklasse
|
Typ 1 und 2
|
|
Schutzpegel
|
-
|
|
Netzform TN-C
|
Nein
|
|
Netzform TN-S
|
Ja
|
|
Schutzart (IP)
|
IP20
|
|
Nennspannung AC
|
230
|
|
Nennspannung DC
|
-
|
|
Netzform TN-C-S
|
Nein
|
|
Schutzpegel L-N
|
-
|
|
Max. PV-Spannung
|
-
|
|
Schutzpegel L-PE
|
1.5
|
|
Schutzpegel N-PE
|
1.5
|
|
Netzform sonstige
|
Nein
|
|
Fernsignalisierung
|
Ja
|
|
Schutzpegel (DC+ - DC-)
|
-
|
|
Integrierte Vorsicherung
|
Nein
|
|
Signalisierung am Gerät
|
optisch
|
|
Höchste Dauerspannung AC
|
255
|
|
Höchste Dauerspannung DC
|
-
|
|
Spezifische Energie (W/R)
|
625
|
|
Folgestromlöschfähigkeit
|
25
|
|
Schutzpegel (DC+/DC- - PE)
|
-
|
|
Blitzstoßstrom (10/350 µs)
|
50
|
|
Überstromgeschützter Spannungsabgriff
|
Nein
|
|
Spannungsschaltende Funkenstreckentechnologie
|
Ja
|
|
Max. Leiterquerschnitt flexibel (feindrähtig)
|
25
|
|
Max. Leiterquerschnitt starr (ein-/mehrdrähtig)
|
35
|
|
Energetisch koordinierte Schutzwirkung zum Endgerät
|
Ja
|
|
Max. Überstromschutzeinrichtung V-Verdrahtung (Sicherung)
|
100
|
|
Max. Überstromschutzeinrichtung Stichverdrahtung (Sicherung)
|
160
|