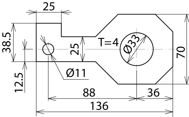
Anschlussbügel IF3 gerade Bohrdurchmesser d1 33 mm

Anschlussbügel IF3 gerade Bohrdurchmesser d1 33 mm

Gerader Anschlussbügel für EXFS. Durchmesser entspricht Bolzendurchmesser der Flanschverschraubung.

Produktkennzeichen

SKU: 923233
EAN: 4013364150966
GTIN: 4013364150966
MPN: AB EXFS IF3 G 33

Kategorien

Eigenschaften

Zubehör
Ja
Ersatzteil
Nein
Art des Zubehörs/Ersatzteils
Montagebügel