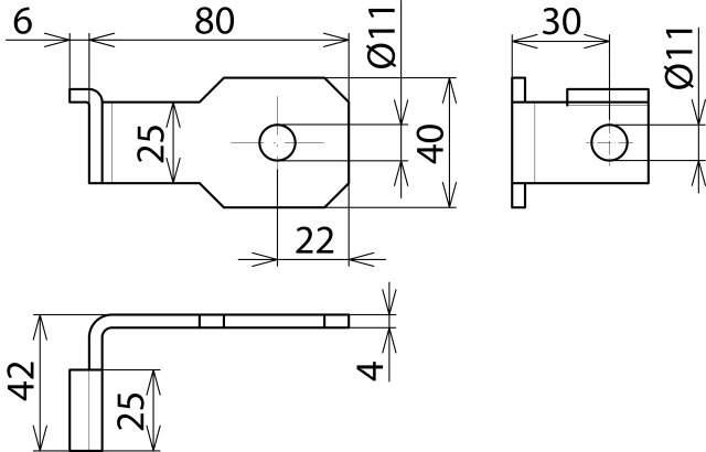
Anschlussbügel IF1 abgewinkelt Bohrdurchmesser d1 11 mm

Anschlussbügel IF1 abgewinkelt Bohrdurchmesser d1 11 mm

Abgewinkelter Anschlussbügel für EXFS. Durchmesser entspricht Bolzendurchmesser der Flanschverschraubung.

Produktkennzeichen

SKU: 923311
EAN: 4013364150775
GTIN: 4013364150775
MPN: AB EXFS IF1 W 11

Kategorien

Eigenschaften

Zubehör
Ja
Ersatzteil
Nein
Art des Zubehörs/Ersatzteils
Montagebügel